Table des matières
Règlement sur les produits dangereux (barrières extensibles et enceintes extensibles)
DORS/90-39
LOI CANADIENNE SUR LA SÉCURITÉ DES PRODUITS DE CONSOMMATION
LOI SUR LES PRODUITS DANGEREUX
Enregistrement 1989-12-27
Règlement concernant la vente, l’importation et la publicité des barrières extensibles et des enceintes extensibles pour enfants
C.P. 1989-2516 1989-12-21
Sur avis conforme du ministre suppléant des Consommateurs et des Sociétés et en vertu de l’article 5Note de bas de page * de la Loi sur les produits dangereux, il plaît à Son Excellence le Gouverneur général en conseil de prendre le Règlement concernant la vente, l’importation et la publicité des barrières extensibles et des enceintes extensibles pour enfants, ci-après.
Retour à la référence de la note de bas de page *L.C., ch. 24 (3e suppl.), art. 1
Titre abrégé
1 Règlement sur les produits dangereux (barrières extensibles et enceintes extensibles).
Définitions
2 Les définitions qui suivent s’appliquent au présent règlement.
- barbures
barbures En ce qui a trait au fini superficiel d’un produit et de ses pièces, toute saillie non fonctionnelle qui modifie l’indice de rugosité-hauteur de plus de 100 micromètres. (burrs)
- barrière extensible
barrière extensible Clôture qui est destinée à être dressée dans une entrée de porte ou toute ouverture semblable pour empêcher le passage de jeunes enfants et qui peut être enlevée par des personnes plus âgées capables de faire fonctionner le mécanisme de verrouillage. (expansion gate)
- enceinte extensible
enceinte extensible Clôture autoportante, pour usage intérieur ou extérieur, destinée à entourer complètement une aire ou un espace de jeu dans lequel de jeunes enfants peuvent être confinés. (expandable enclosure)
- indice de rugosité-hauteur
indice de rugosité-hauteur En ce qui a trait au fini superficiel d’un produit ou de ses pièces, l’écart moyen, exprimé en micromètres, des irrégularités de surface par rapport à une surface parfaite hypothétique. (roughness-height index)
- inscription indélébile
inscription indélébile En ce qui a trait à l’étiquetage d’un produit ou d’un emballage dans lequel un produit est vendu, indication faite au poinçon ou à la peinture au moyen d’un stencil, moulée, directement estampillée ou inscrite de toute autre manière, qui ne se décolorera pas ou qui n’est pas susceptible de s’effacer lorsqu’elle est soumise à l’essai décrit à l’article 1 de l’annexe I. (indelibly printed)
- inscription permanente
inscription permanente En ce qui a trait à l’étiquetage d’un produit ou d’un emballage dans lequel un produit est vendu, une étiquette ou toute autre indication durable fixée ou attachée au produit ou à l’emballage par un adhésif ou un autre moyen de collage approprié, et non facilement détachable lorsqu’elle est soumise à l’essai décrit à l’article 2 de l’annexe I. La présente définition exclut les étiquettes volantes ou les étiquettes concernant la bourre. (permanently affixed)
- Loi
Loi La Loi sur les produits dangereux. (Act)
- norme de sécurité
norme de sécurité La norme F 1004-86 de l’American Society for Testing and Materials (ASTM) intitulée Standard Consumer Safety Specification for First-Generation Standard Expansion Gates and Expandable Enclosures, approuvée le 26 décembre 1986 et publiée en avril 1987. (safety standard)
- produit
produit Barrière extensible ou enceinte extensible expressément destinée aux jeunes enfants âgés de 6 à 24 mois, inscrite à l’article 46 de la partie II de l’annexe I de la Loi. (product)
- rugueux
rugueux En ce qui a trait au fini superficiel d’un produit et de ses pièces, indice de rugosité-hauteur de plus 50 micromètres. (rough)
Dispositions générales
3 (1) Un produit ne peut être vendu ou importé ou faire l’objet de publicité au Canada que s’il satisfait aux exigences du présent règlement.
(2) Il est interdit de faire mention, directement ou indirectement, de la Loi ou du présent règlement dans une inscription apposée sur le produit ou l’accompagnant, ou dans la publicité sur ce produit.
Étiquetage et mode d’emploi
4 (1) Le produit doit porter, sous forme d’inscription indélébile ou d’inscription permanente, lisiblement et bien en vue, en français ou en anglais et en caractères d’au moins 2,5 mm de hauteur qui contrastent nettement avec le fond, par la couleur, la saillie ou le renfoncement, les renseignements suivants :
a) le nom et l’adresse commerciale principale au Canada du fabricant, de l’importateur ou du distributeur;
b) le nom ou le numéro du modèle du produit;
c) l’année et le mois de fabrication du produit ou un code ou une autre indication qui permet de les déterminer.
(2) Tout emballage dans lequel un produit est vendu doit porter, lisiblement et bien en vue, sous forme d’inscription indélébile ou d’inscription permanente, les renseignements visés aux alinéas (1)a) à c).
(3) Sous réserve du paragraphe (5), le produit doit porter en français et en anglais, sous forme d’inscription indélébile ou d’inscription permanente, lisiblement et bien en vue et en caractères qui contrastent nettement avec le fond par la couleur, la saillie ou le renfoncement, la mise en garde suivante :
« MISE EN GARDE
Installer conformément aux instructions du fabricant.
Destiné aux enfants de 6 à 24 mois.
Installer de façon que le mécanisme de verrouillage se trouve du côté opposé à l’enfant. (Seulement dans le cas des barrières retenues par pression.)
Cet article ne prévient pas nécessairement tous les accidents. Ne jamais laisser l’enfant sans surveillance.
Si l’enceinte est munie d’un mécanisme de fermeture/verrouillage, l’avertissement suivant s’y applique : N’utiliser l’article que lorsque le mécanisme de fermeture/verrouillage (ou autres termes appropriés) est solidement enclenché.
WARNING
Install according to manufacturer’s instructions.
Intended for use with children from 6 months through 24 months.
Install with locking mechanism on side away from child (applies to pressure-mounted gates only).
This product will not necessarily prevent all accidents. Never leave child unattended.
If an enclosure has a locking/latching mechanism, the following warning shall apply : Use only with the locking/latching mechanism (or appropriate terminology) securely engaged. »
(4) Les caractères de la mise en garde visée au paragraphe (3) ont la hauteur suivante :
a) dans le cas des rubriques «MISE EN GARDE» et «WARNING», au moins 5 mm;
b) dans le cas du texte de la mise en garde, au moins 2,5 mm.
(5) La mise en garde peut être énoncée par représentation graphique qui en fait comprendre de façon concise et rapide le sens ou le message principal.
(6) Le produit doit être accompagné :
a) du mode d’emploi lisible qui énonce clairement, en français et en anglais, avec dessins au trait ou photographies à l’appui si nécessaires :
(i) le mode d’assemblage du produit, si celui-ci n’est pas vendu complètement assemblé,
(ii) le mode d’installation du produit, y compris une déclaration des limites d’utilisation des ferrures de fixation incluses,
(iii) le mode de fonctionnement du produit et la façon de l’entretenir et de le nettoyer;
b) de la mise en garde visée au paragraphe (3).
Exigences générales
5 (1) Les pièces du produit qui sont de taille assez petite pour être contenues dans le cylindre pour petites pièces illustré à l’annexe II doivent être ajustées ou fixées au produit de façon à ne pouvoir s’en détacher lorsqu’elles sont soumises à une force de 90 N, appliquée dans n’importe quelle direction.
(2) Les parties métalliques doivent être exemptes de barbures ainsi que de coins coupants, de pointes, de parties saillantes ou de rebords acérés.
(3) Les extrémités coupées des tubes de métal du produit doivent avoir un fini lisse exempt de rebords, de pointes ou de coins rugueux ou coupants, ou être munies d’un bouchon protecteur qui reste en place lorsqu’il est soumis à une force de 90 N, appliquée dans n’importe quelle direction.
(4) Les parties exposées du produit qui sont en bois, en plastique ou en un matériau d’une rigidité semblable doivent avoir un fini lisse exempt de rebords, de pointes ou de coins rugueux ou coupants et ne doivent présenter aucune fente, fissure ou autre défaut.
(5) L’extrémité filetée de tout boulon du produit doit être protégée par un écrou borgne ou un autre dispositif propre à empêcher l’utilisateur ou l’occupant de se blesser.
(6) Le produit ne doit pas être recouvert d’un enduit décoratif ou protecteur qui contient :
a) tout composé d’antimoine, d’arsenic, de cadmium, de sélénium ou de baryum introduit tel quel, si plus de 0,1 % du composé se dissout dans l’acide chlorhydrique à 5 % de concentration après avoir été remué pendant 10 minutes à 20 °C;
b) tout composé de mercure introduit tel quel.
(7) Aucune partie du produit composée entièrement ou partiellement de fibres textiles ne doit, lorsqu’elle est mise à l’essai conformément à la norme D 1230-61 de l’American Society for Testing and Materials (ASTM) intitulée Standard Test Method for Flammability of Clothing Textiles et réapprouvée en 1972, permettre un temps de propagation de la flamme :
a) de sept secondes ou moins, si la partie n’a pas de surface en fibres grattées;
b) de sept secondes ou moins, si la partie a une surface en fibres grattées et que la fusion ou l’inflammation des fibres de fond est apparente.
- DORS/2004-65, art. 14
Exigences de rendement
6 Les exigences de rendement du produit doivent être conformes à celles énoncées aux articles 4.1, 4.1.1, 4.1.1.1, 4.1.1.2, 4.1.2, 4.1.3, 4.1.4 et 4.1.5 de la norme de sécurité.
Méthodes d’essai
7 Le produit doit être soumis aux essais décrits aux articles 5.1, 5.2, 5.2.1, 5.2.2, 5.3, 5.3.1, 5.3.2.1, 5.3.3 et 5.3.4 de la norme de sécurité.
ANNEXE I(art. 2)Essais d’indélébilité et de durabilité
1 Pour vérifier l’indélébilité de l’inscription sur l’étiquette, procéder comme suit :
a) asperger la surface marquée ou imprimée avec un nettoyant pour verre de la façon décrite dans la norme CAN2-2.55-M85 de l’Office des normes générales du Canada (ONGC) intitulée Nettoyant pour verre et publiée en décembre 1985;
b) laisser tremper la surface marquée ou imprimée pendant 20 secondes;
c) frotter légèrement par un mouvement de va-et-vient la surface marquée ou imprimée 10 fois en 10 secondes avec un chiffon tout usage;
d) vérifier et noter si l’inscription a disparu ou s’est effacée.
2 Pour vérifier la durabilité de l’inscription sur l’étiquette, procéder comme suit :
a) asperger l’étiquette avec un nettoyant pour verre de la façon décrite dans la norme CAN2-2.55-M85 de l’Office des normes générales du Canada (ONGC) intitulée Nettoyant pour verre et publiée en décembre 1985;
b) laisser tremper l’étiquette pendant 20 secondes;
c) frotter légèrement de chaque coin de l’étiquette vers son centre 10 fois en 10 secondes avec un tampon à récurer tout usage en nylon;
d) à partir d’une extrémité, essayer avec les doigts de lever et de décoller l’étiquette;
e) vérifier et noter si l’étiquette peut être enlevée en un seul morceau.
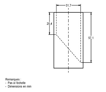
ANNEXE II(paragraphe 5(1))Cylindre pour petites pièces
Pour mesurer les pièces mentionnées au paragraphe 5(1), utiliser un cylindre pour petites pièces dont la conception et les dimensions sont conformes à celles indiquées à la figure 1.
FIGURE 1

Remarques :
- –Pas à l’échelle
- –Dimensions en mm
- DORS/2004-65, art. 15
Détails de la page
- Date de modification :