Language selection

Gouvernement du Canada

Recherche

Version du document du 2016-06-22 au 2019-04-02 :

Règlement sur les parcs pour enfant

DORS/2016-189

LOI CANADIENNE SUR LA SÉCURITÉ DES PRODUITS DE CONSOMMATION

Enregistrement 2016-06-22

Règlement sur les parcs pour enfant

C.P. 2016-616 2016-06-21

Sur recommandation de la ministre de la Santé et en vertu de l’article 37 de la Loi canadienne sur la sécurité des produits de consommationNote de bas de page a, Son Excellence le Gouverneur général en conseil prend le Règlement sur les parcs pour enfant, ci-après.

Caractéristiques techniques

Note marginale :Substances toxiques

 Le parc pour enfant qui contient une substance toxique doit satisfaire à l’une des exigences relatives à cette substance et prévues à l’article 25 du Règlement sur les jouets.

Note marginale :Inflammabilité

 Le temps de propagation de la flamme pour toute partie en fibres textiles ou en une autre matière souple que comprend le parc pour enfant doit être supérieur à sept secondes lors de la mise à l’essai de cette partie faite conformément à la norme CAN/CGSB-4.2 no 27.5 de l’Office des normes générales du Canada, intitulée Méthodes pour épreuves textiles : Essai de résistance à l’inflammation sous un angle de 45° – Application de la flamme pendant une seconde, avec ses modifications successives.

Note marginale :Points de piqûre

 Les points de piqûre du parc pour enfant sont des points noués.

Note marginale :Hauteur des côtés

 La hauteur minimale de chaque côté du parc pour enfant, mesurée à partir de la face supérieure du sol du parc jusqu’au dessus de son cadre, est de 480 mm.

Note marginale :Stabilité

 Tous les points d’appui du parc pour enfant demeurent en contact avec le panneau de contreplaqué incliné lors de leur mise à l’essai faite conformément à l’annexe 1.

Note marginale :Filet — résistance et solidité

  •  (1) Le filet en fibres textiles ou en une autre matière souple que comprend toute partie du côté, du dessus ou du dessous du parc pour enfant ne se déchire ni ne se sépare de son support structurel ou de ses attaches lors de sa mise à l’essai faite conformément à l’annexe 2.

  • Note marginale :Filet — taille des mailles

    (2) Les mailles de tout filet en fibres textiles ou autre matière souple que comprend toute partie du côté, du dessus ou du dessous du parc pour enfant ont, lors de leur mise à l’essai faite conformément à l’annexe 3, une taille telle que le bout hémisphérique de la sonde illustrée à cette annexe ne peut passer à travers les mailles.

Note marginale :Coupure, cisaillement et pincement

 Le parc pour enfant est exempt de toute partie pouvant blesser l’occupant par coupure, cisaillement ou pincement.

Note marginale :Parties en bois ou en plastique

  •  (1) Les parties à découvert du parc pour enfant qui sont en bois ou en plastique ont un fini lisse de sorte qu’elle ne comportent ni coin ni rebord rugueux ou coupants et sont exemptes de fissure, de bavure ainsi que d’autre défaut.

  • Note marginale :Parties en métal

    (2) Les parties du parc qui sont en métal ont un fini lisse de sorte qu’elle ne comportent ni pointe, ni coin, ni rebord coupants et sont exemptes de bavure.

  • Note marginale :Tubes métalliques

    (3) L’extrémité coupée de tout tube métallique du parc est, si elle se trouve à la portée de l’occupant, munie d’un embout protecteur qui demeure en place sous l’effet d’une force de 90 N appliquée dans n’importe quelle direction.

  • Note marginale :Boulons

    (4) L’extrémité filetée de tout boulon du parc est, si elle se trouve à la portée de l’occupant, recouverte d’un écrou borgne ou d’un dispositif offrant une protection équivalente.

Note marginale :Petites pièces

 La pièce du parc pour enfant qui est à la portée de l’enfant et qui est suffisamment petite pour être insérée complètement dans le cylindre pour petites pièces illustré à l’annexe 4 est fixée au parc de façon à ne pas s’en détacher sous l’effet d’une force de 90 N appliquée dans n’importe quelle direction.

Note marginale :Ouvertures

 L’ouverture présente dans une partie en bois, en plastique, en métal ou en un autre matériau semblable que comprend le parc a, si elle est à la portée de l’enfant, un diamètre inférieur à 3 mm ou supérieur à 10 mm.

Note marginale :Cordes et sangles — longueur maximale

 La longueur des cordes, sangles ou autres articles similaires du parc pour enfant ayant une extrémité qui n’est pas attachée ne dépasse pas 180 mm à l’état tendu.

Note marginale :Solidité du sol

 Le parc pour enfant ne présente aucun signe visible d’endommagement lors de la mise en place, pendant une minute, d’un poids de 22 kg uniformément réparti sur une surface de 4,5 sur 104 mm2 du sol du parc.

Note marginale :Roues et roulettes

 Le parc pour enfant ne peut pas être muni de plus de deux roues, roulettes ou dispositifs fixés au parc qui permettraient d’y en fixer.

Note marginale :Parcs pliants

 Le parc pliant est muni d’un mécanisme de verrouillage ou d’un autre dispositif qui l’empêche de se replier ou de s’affaisser lors de sa mise à l’essai faite conformément à l’annexe 1.

Renseignements

Note marginale :Présentation

 Les renseignements exigés par le présent règlement, à l’exclusion des instructions de montage visées au paragraphe 16(3), satisfont aux exigences suivantes :

  • a) ils sont en français et en anglais;

  • b) ils sont présentés sous forme d’inscription apposée sur le parc pour enfant ou sur son emballage ou y sont fixés en permanence d’une autre façon;

  • c) ils sont placés à un endroit bien en vue et paraissent de façon claire;

  • d) ils sont présentés en caractères d’une hauteur minimale de 2,4 mm.

Note marginale :Renseignements généraux

  •  (1) Le parc pour enfant ainsi que l’emballage dans lequel il est vendu portent les renseignements suivants :

    • a) le nom et l’établissement principal du fabriquant ou de la personne pour laquelle le parc est fabriqué;

    • b) les nom ou numéro de modèle;

    • c) le mois et l’année de la fabrication.

  • Note marginale :Mention

    (2) La mention ci-après figure immédiatement après les renseignements visés au paragraphe (1) :

    Ce produit est conforme aux exigences du Règlement sur les parcs pour enfant (Canada)

    This product complies with the requirements of the Playpens Regulations (Canada)

  • Note marginale :Instructions de montage

    (3) Le parc qui est vendu en pièces détachées porte les instructions, en français et en anglais, expliquant de façon intelligible et illustrant comment le monter, ou en est accompagné.

Abrogation

 [Abrogation]

Entrée en vigueur

Note marginale :Enregistrement

 Le présent règlement entre en vigueur à la date de son enregistrement.

ANNEXE 1(articles 5 et 14)Essai de stabilité

  • 1 La méthode servant à vérifier la stabilité du parc pour enfant comprend les opérations suivantes :

    • a) monter le parc pour enfant selon les instructions du fabricant;

    • b) placer le parc sur un panneau de contreplaqué d’une épaisseur de 19 mm et d’une superficie telle que tous les points d’appui sont à une distance minimale de 50 mm des arêtes du panneau, en veillant à ce que deux points d’appui adjacents soient parallèles à une des arêtes du panneau et, au besoin, bloquer les points d’appui qui risquent de se trouver en aval pour empêcher tout glissement pendant l’essai;

    • c) placer le dispositif d’essai illustré à la figure de la présente annexe sur le sol du parc, en veillant à ce que l’un des côtés du dispositif mesurant 300 mm soit parallèle au côté du parc qui est parallèle à l’arête du panneau et soit le plus près possible du centre de ce côté;

    • d) incliner le panneau en le faisant pivoter du côté le plus proche du dispositif d’essai de manière à former un angle de 10° avec l’horizontale;

    • e) répéter les opérations visées aux alinéas b) à d) pour chaque jeu de points d’appui dans le même plan vertical.

Figure — Dispositif pour essai de stabilité

Le dispositif ressemble à une bibliothèque avec une base, trois tablettes et un dessus. Il a une hauteur de 530 mm, une longueur de 300 mm et une profondeur de 150 mm. La face supérieure de la première tablette se trouve à 100 mm de la face supérieure du dessus du dispositif, la face supérieure de la deuxième tablette se trouve à 200 mm de la face supérieure du dessus du dispositif et la face supérieure de la troisième tablette se trouve à 300 mm de la face supérieure du dessus du dispositif. Chaque tablette pèse 6,75 kg et l’ensemble du dispositif pèse 23 kg.

ANNEXE 2(paragraphe 6(1))Essai de résistance du filet et de solidité du rattachement

  • 1 La méthode servant à vérifier la résistance du filet du parc pour enfant et la solidité de ce qui rattache le filet à celui-ci comprend les opérations suivantes :

    • a) monter le parc selon les instructions du fabricant;

    • b) placer le parc sur une surface horizontale de façon que le côté comprenant le filet soit placé à l’horizontale au-dessus de son côté opposé et, au besoin, immobiliser le parc à l’aide d’un bloc ou d’un appui n’agissant pas directement sur le cadre du côté mis à l’essai;

    • c) déposer un poids de 9,18 kg dont la base rectangulaire mesure 150 mm sur 75 mm au centre géométrique du filet ou, si la structure externe gêne le déroulement de l’essai, le plus près possible de ce centre, en orientant les côtés de 150 mm parallèlement à la traverse supérieure du côté mis à l’essai, de la façon suivante :

      • (i) déposer le poids graduellement sur une période d’une seconde,

      • (ii) laisser le poids en place pendant dix secondes,

      • (iii) enlever le poids graduellement sur une période d’une seconde,

      • (iv) laisser s’écouler un temps de recouvrement de dix secondes;

    • d) répéter l’opération mentionnée à l’alinéa c) neuf fois, pour un total de dix opérations;

    • e) effectuer les opérations mentionnées aux alinéas c) et d) pour la partie supérieure du filet de la manière suivante :

      • (i) orienter le côté de 75 mm du poids parallèlement au bord supérieur du filet,

      • (ii) déposer le poids de façon que le centre de ce côté se situe de 25 mm à 50 mm sous le centre de ce bord;

    • f) effectuer les opérations mentionnées aux alinéas c) et d) pour la partie inférieure du filet de la manière suivante :

      • (i) orienter le côté de 75 mm du poids parallèlement au bord inférieur du filet,

      • (ii) déposer le poids de façon que le centre de ce côté se situe de 25 mm à 50 mm au-dessus du centre de ce bord.

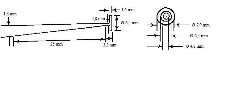
ANNEXE 3(paragraphe 6(2))Essai de vérification de la taille des mailles du filet

  • 1 La méthode servant à vérifier la taille des mailles du filet du parc pour enfant comprend les opérations suivantes :

    • a) découper dans le filet un échantillon de 305 mm sur 305 mm;

    • b) appliquer une force de 0,15  N/mm répartie uniformément sur chacun de deux côtés opposés de l’échantillon de sorte que ce dernier soit soumis à une tension uniaxiale;

    • c) essayer, en appliquant une force maximale de 22 N, d’insérer la pointe de la sonde illustrée à la figure de la présente annexe dans les mailles du filet sans en couper les fibres, à dix endroits choisis au hasard;

    • d) enlever la force visée à l’alinéa b) et l’appliquer de nouveau sur deux autres côtés opposés de l’échantillon conformément à cet alinéa, puis répéter l’opération mentionnée à l’alinéa c).

Figure — Sonde pour mailles

La sonde est une tige cylindrique dont l’une des extrémités est dotée d’un disque ayant un diamètre de 6,4 mm et une épaisseur de 1,6 mm.

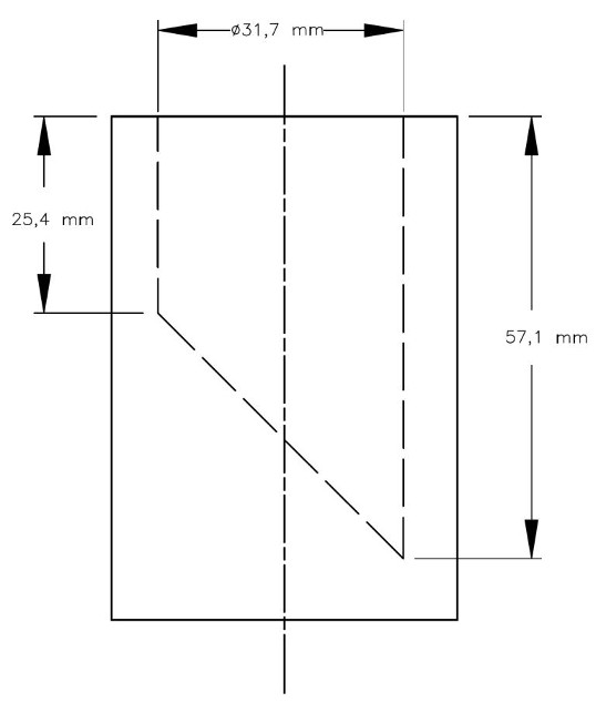
ANNEXE 4(article 9)Cylindre pour petites pièces

La vue en coupe du cylindre pour petites pièces montre un cylindre vide ayant un diamètre intérieur de 31,7 mm. Le fond du cylindre est incliné à 45° de sorte que la profondeur minimale est de 25,4 mm et la profondeur maximale est de 57,1 mm.

Détails de la page

Date de modification :